К основному контенту

ECO NG LNX 90 G (FGR)

Цена по запросу

Вид топлива: Газовые

Тип регулирования: Модуляционные

Мощность мин., кВт: 180

Мощность макс., кВт: 900

NG: Да

Детали
Габариты
Кривая противодавления
Технические характеристики

Детали

Производительность
мин.ккал/ч: 154.800
макс.ккал/ч: 774.000

Мощность
мин.кВт: 180
макс.кВт: 900

Расход Природного Газа
мин.Нм³/ч: 18,76
макс.Нм³/ч: 93,82

Мощность Двигателя Вентилятора
кВт: 1,50

Напряжение При 50 Гц
VAC: 3N 400

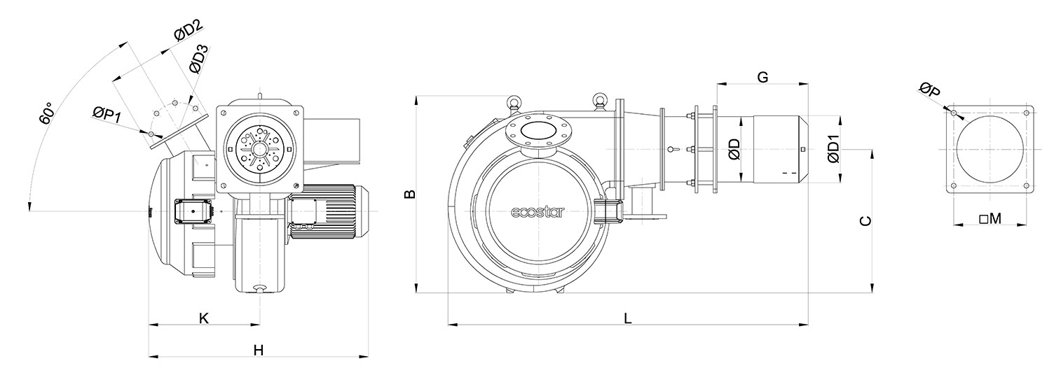
Габариты

L: 1330 | Gmin: 175 | Gmax: 390 | H: 790 | K: 400 | B: 675 | C: 510 | ØP: 18 | M: 275 | ØD: 218 | ØD1: 226 | ØD2: 220 | ØD3: 180

Кривая противодавления

Технические характеристики

Форма управления: Модуляционная
Регулирование жидкого топлива: Да
Регулирование подачи воздуха: Сервопривод
Регулирование подачи топлива: Сервопривод
Газовый вентиль: Да
Минимальный датчик-реле давления газа: Да
Максимальный датчик-реле давления газа: Опционально
Датчик-реле давления воздуха: Да
Управление факелом: Ионизация
Зажигание: Прямое зажигание
Подключение системы управления горением O2-CO: Опционально
Подключение инвертора вентилятора воздуха для горения: Опционально
Станции подготовки топлива (Газ/Дизельная станция): Опционально
Соответствие TS EN 676+A2 и 2016/426/EC GAR: Да
Класс электрозащиты: IP54